• 본문으로 바로가기

익산시청 바로가기

  • 홈
  • 사이트맵

익산시환경친화도시 정보마당

전체메뉴

  • 환경정책안내
    • 환경기본정책
    • 악취저감대책
    • 미세먼지대책
    • 기타환경정책
    • 환경정책안내자료
  • 생활폐기물배출안내
    • 1회용 사용규제사업장 준수사항
    • 가연성 폐기물
    • 불연성 폐기물
    • 재활용가능 폐기물
    • 음식물류 폐기물
    • 대형폐기물
    • 공사장 생활폐기물
  • 신고포상금
    • 신고포상금 안내
    • 신고포상금 신청방법
  • 환경오염물질배출사업장
    • 폐기물 처리업
    • 대기 및 폐수 배출시설
    • 가축분뇨 배출시설
    • 음식물류 폐기물 다량배출 사업장
    • 악취배출사업장
  • 환경기초시설
    • 공공하수처리시설
    • 공공폐수처리시설
    • 가축분뇨공공처리시설
    • 폐기물 처리시설
  • 행정처분
    • 폐기물관리법
    • 대기환경보전법
    • 물환경보전법
    • 소음진동관리법
    • 악취방지법
    • 가축분뇨의 관리 및 이용에 관한 법률
  • 오염측정현황
    • 토양오염 측정결과
    • 약수터수질 관리
    • 석면해체제거 사업장 관리
    • 악취관리지역 측정결과
  • 열린환경행정
    • 환경정보 알림마당
    • 환경신문고
    • 시민환경정책제안
    • 익산환경정책위원회
    • 익산환경친화도시협의체
  • 화학사고
    • 주민행동요령
    • 화학사고 대응방법
    • 화학사고 대피장소
    • 유해화학물질 정보
    • 화학물질 안전관리위원회
    • 화학물질 정보공개
    • 비상연락망

환경기초시설

  • 공공하수처리시설
    • 익산하수처리장안내
    • 함열하수처리장안내
    • 북부공공하수처리시설
    • 금마공공하수처리시설
    • 여산공공하수처리시설
  • 공공폐수처리시설
    • 제3일반산업단지
    • 국가식품클러스터
    • 황등공공폐수
    • 왕궁농공단지
  • 가축분뇨공공처리시설
    • 익산시 가축분뇨 공공처리시설
  • 폐기물 처리시설
    • 신재생 자원센터

홈 > 환경기초시설 > 공공폐수처리시설 > 왕궁농공단지

왕궁농공단지

  • 페이지 인쇄

일반현황

  • 위 치 : 익산 왕궁면 왕궁농공단지길 67번지
  • 처리구역 : 왕궁농공단지
  • 처리용량 : 250㎥/일
  • 운영기관 : 환경관리주식회사
  • 설치내역
    • 공사기간 : 2007. 7. ~ 2008. 9.
    • 가동일 : 2008. 10. ~ 현재

주요시설물 및 처리방식

  • 주요 시설물 : 건축물 2동, 시설물6조
  • 처리 방식 : 표준활성오니, 장기폭기, 산화구, 회전원판, A/O, A2O, SBR, 기타(Symbio)

처리시설 조감도

왕궁전문농공단지 폐수종말시설

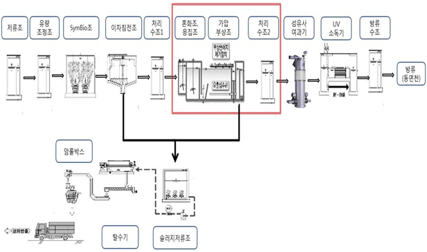
공공페수 처리공정도

공공폐수 처리공정도

주요시설현황

  • 침사지 설비 (협잡물 제거기, 응집가압부상장치 외 8종)
    침사지 설비 기기명, 제원, 동력, 수량, 비고 정보제공
    기 기 명 제 원 동력 수량 비 고
    협잡물 처리기 Micro Bar Screen 세목 10㎜, 미세목 2㎜ 0.4kW 1대 세목 0.2kW 미세목 0.2kW
    응집가압부상장치 PH조정+반응+응집+가압부상장치 W2.5m x L1.21m x H2.4m 6.85kW 1식
  • 반응조(SymBio조) 설비 (반응단계판단 및 조절장치, SymBio조 송풍기 외 6종)
    반응조(SymBio조) 설비 기기명, 제원, 동력, 수량, 비고 정보제공
    기 기 명 제 원 동력 수량 비 고
    반응단계판단 및 조절장치 U.V조사 형광검출방식 - 1식
    SymBio조 송풍기 로터리 루츠 브로와 1.32㎥/분 x 4000㎜Aq 3.75kW 2대 예비1대
  • 여과기 및 소독설비 (여과기, 소독기 외 3종)
    여과기 및 소독설비 기기명, 제원, 동력, 수량, 비고 정보제공
    기 기 명 제 원 동력 수량 비 고
    여과설비 공극제어형 섬유사 여과기 40㎥/hr 7.7kW 1식
    소 독 기 관로형 자외선(U.V) 소독기 40㎥/hr 0.6kW 1식
  • 약품투입 설비 (NaOH 및 Polymer저장탱크, 주입펌프 외 6종)
    약품투입 설비 기기명, 제원, 동력, 수량, 비고 정보제공
    기 기 명 제 원 동력 수량 비 고
    NaOH 저장탱크 내식원통형 PE탱크 1㎥ - 1대
    NaOH 주입펌프 정량 다이아프램펌프 47.6㎖/min x 2㎏/㎠ 0.2kW 2대 예비1대
    Polymer 저장탱크 내식원통형 PE탱크 2㎥ 0.75kW 1대 교반장치 포함
    Polymer 주입펌프 정량 다이아프램펌프 3.4ℓ/min x 10㎏/㎠ 0.4kW 2대 예비1대
  • 슬러지 탈수설비 (탈수기 외 6종)
    슬러지 탈수설비 기기명, 제원, 동력, 수량, 비고 정보제공
    기 기 명 제 원 동력 수량 비 고
    탈 수 기 다중원판 탈수기 15kg‧DS/hr 7.5kW 1대

익산시 환경친화도시 정보마당

54622 전북특별자치도 익산시 인북로32길 1(남중동) 대표전화 : 1577-0072

Copyright by IKSAN-CITY. All right reserved.